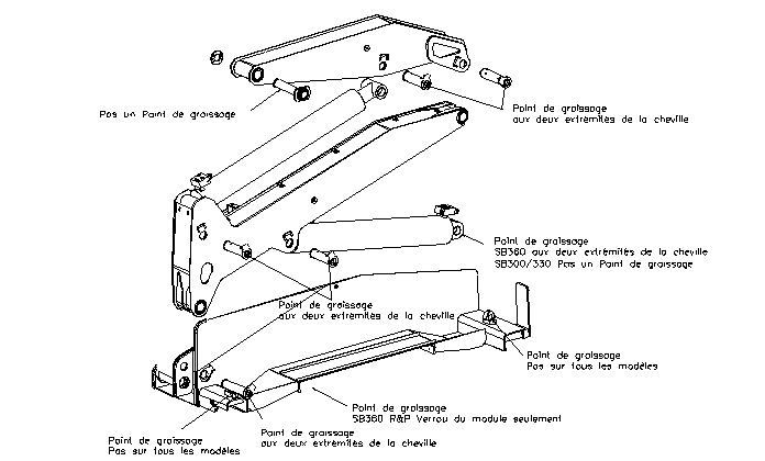
G0002 Points de Graissage SB300, SB330, SB360

G0002FR PDF File

Version 1

Générale

24 Oct 01