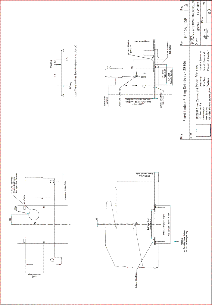
G0005 Fixed Module Fitting Details for SB300

G0005 print pdf

Version 1

General

 

G0005 Fixed Module Fitting Details