27 Feb 2007 PDF File |
Author: Yuying Wan |
|
|
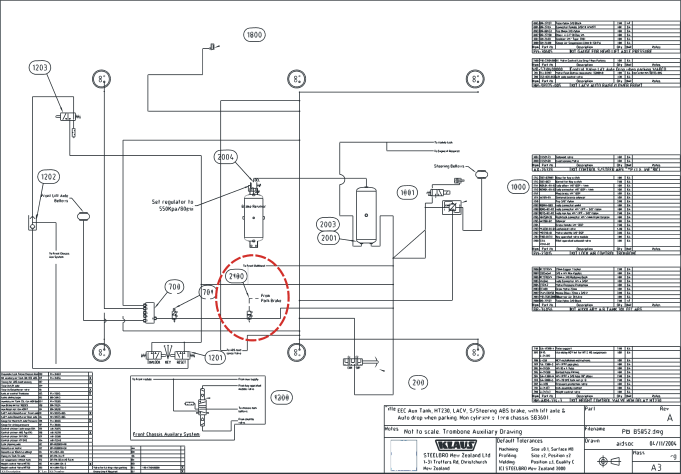
The part WB-5710400000 is a pressure control valve which is fitted in the Hendrickson brake system with lift axle at front. Its purpose is to enable automatic lowering of the lift axle when parking brake is on.
Normally for the Hendrickson air suspension with a lift axle, the lift axle will drop when the weight is over 13T. But in the French Islands and Spain the regulation requires that all axles must ALSO be on the ground when parking, regardless of weight. The pressure control valve WB-5710400000 is fitted to achieve this purposes.
Typically for model SB2040304 Trombone sidelifters fitted with Hendrickson suspension with lift axle, mandatory for all French Island and Spanish units. eg SB7776.
Parts for this unit are as follows;
QTY |
PART |
Description |
1 |
HN-98975-008 |
Kit LACV Auto Raise/Lower inc. Labels |
1 |
PM-29594 |
# Pneumatic Lift Axle Hendrickson |
1 |
PM-30605 |
* Gauge for Hend Lift Axle Pressure |
1 |
TA-33822 |
* Box Lockable For Lift Axle Button HDKN |
1 |
WB-5710400000 |
Valve Control LAx Drop When Parking |
The parts above are in conjunction with Hendrickson suspension and lift axle kit.
Click here for Wabco Part WB-5710400000 specification sheet pdf.
Click here for Wabco Part WB-5710400000 technical drawing pdf.

