TB0066 New Kubota Engine

24 Sep 2008 PDF File

Author: Neil Savage

 

 

Steelbro has changed the engine in the Sidelifter's power pack. The Kubota model V2403-M engine replaces the V2203 engine. Various engine related components have also been changed.

Models and Markets:

All markets and models of Sidelifters, except SE402, with standard engine power packs are affected.

The following serial numbered units, if power pack driven, have been fitted with the V2403-M engine: SB8300, SB8301, SB8302, SB8303, SB8307, SB8320, SB8327, SB8338, SB8341, SB8344, SB8345, SB8349 onwards.

Changes to the BOM and Spare Parts

V2203 Engine - Front View

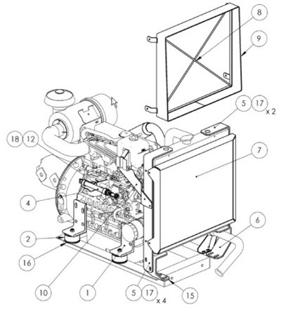
V2403-M Engine - Front View

V2203 Engine - Front View

V2403-M Engine - Front View

 

 

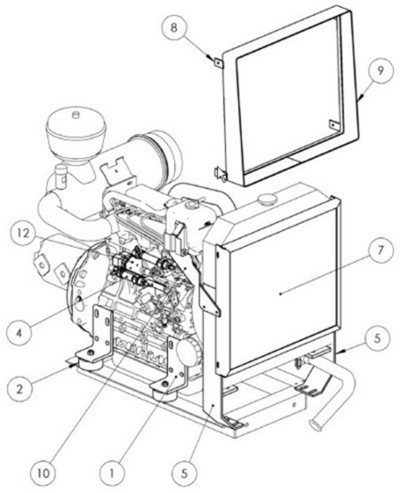
V2203 Engine - Rear View

V2403-M Engine - Rear View

V2203 Engine - Rear View

V2403-M Engine - Rear View

Table 1: Kubota engine components

 

V2203 Component

V2403 Component

Remove

Replace with/Add

 

Engine

KU-V2203-B-EEC-1 x 1

KU-V2403-M-E3B-KEA-2 x 1

1

Engine Mount *

S1-02682 x 1*

S1-38081 x 1

2

Rubber Engine Mnt

S1-29001 x 4

S1-37996 x 4

 

Wiring Loom

 

EL-31701 x 1 (Series 3a)

EL-38360 x 1

EL-33882 x 1 (Smartlift 2.5m)

EL-38114 x 1

EL-35798 x 1 (Smartlift 5m)

EL-38516 x 1

N/A (Series 3a SB121M)

EL-38475 x 1

3

Bellhousing/Coupling Kit

HC-37078 x 1

HC-37968 x 1

 

Kit Hyd Fittings Tank

 

HC-29364 x 1 (Centre Mount)

HC-38190 x 1

HC-33840 x 1 (Side Mount)

HC-38361 x 1

4

Throttle Kit

PM-31520 x 1

PM-37971 x 1

5

Bracket Rad

S1-18433 x 2

S1-37972 x 2

6

Bracket Rad Lower LH

 

S1-37973 x 1

7

Screen Radiator

S1-20143 x 1 **

S1-37974 x 1 **

8

Frame - Rubber Shroud

S1-18721 x 1 ***

S1-38052 x 1 ***

9

Rubber Shroud

S1-18580 x 1 ***

S1-38073 x 1 ***

10

Bracket Coolant Overflow Tank

S1-37530 x 1

S1-37975 x 1

11

Exhaust Pipe

S1-31029 x 1

S1-37976 x 1

12

Bracket Throttle

S1-31413 x 1

S1-37977 x 1

13

Bracket Exhaust Clamp Mnt

S1-31028 x 1

S1-37994 x 1

14

Bracket Exhaust Manifold Mnt

S1-20247 x 1

S1-37999 x 1

15

Bracket Rad Lower RH

 

S1-38013 x 1

16

Packer - Engine Mount

 

S1-38032 x 4

17

Rivnut

 

FA-38115 x 7

18

Bolt M8x70

 

FA-28614 x 2

Notes:

*

Still require 3 of S1-02682 per new engine

**

Only required on uncovered engines

**

Only required on engines with fibreglass covers

Backward Compatibility:

SBcaution

The sump on the V2403-M engine is deeper than the sump on the V2203 engine. If the V2403-M engine is used on an old engine frame the sump drain is the lowest part of the power pack. Ensure that the engine frame is sat on blocks if removed to prevent damage to the sump.

Combined Power Packs (one-piece frame including tank mounting)

The engine and mounting frame can be swapped complete into an existing installation. If just the engine is to be replaced then all the components shown in the Table 1 above must be changed and the engine frame modified as shown in the figure below.

Modification to combined power pack engine frame required to suit new engine

TB0066 Modification Power Pack Engine Frame 1.jpg

Non-Combined Power Packs (two-piece frame where tank mounts are welded to chassis)

The engine and mounting frame can be swapped complete into an existing installation. If just the engine is to be replaced then all the components shown in the Table 1 above must be changed and the engine frame modified as shown in the figures below.

Modification to non-combined power pack engine frame required to suit new engine

TB0066 Modification Power Pack Engine Frame 2.jpg

TB0066 Modification Power Pack Engine Frame 3.jpg

Benefits and Advantages to Change:

The benefits and advantages of the V2403-M engine are: