S0011 PDF File |
Version 2 |
Structural |
17 Aôut 04 |
Le travail des deux grues Steelbro est basé principalement sur les 3 éléments suivants:
Par ailleurs, il y a d'autres facteurs qui influencent ces 3 éléments, par exemple la hauteur du plateau va limiter le deploiement des pieds stabilisateurs quand ils sont placés au sol; et le jeu de la suspension influence la puissance de la masse secondaire sur la tare réelle.
Quand les grues n'ont pas de béquilles du côté opposé au chargement, si la charge est positionnée au-delà du centre du plateau dans la direction latérale, l'opération est dangeureuse car la stabilité du matériel est mise en question.

Les supports de nos grues sont d'une importance primordiale; spécialement dans les deux conditions specifiques de travail décrites ci-dessous.
dans ce cas, les bras sont déployés au maximum et il s'agit d'un moment de battement hors plan. Les deux grues oscillent l'une vers l'autre. Ici, ce sont les supports qui recoivent le poids de la charge utile et celui des grues. Quant au poids sur le stabisateur, il est négligable. La structure du châssis doit être assez robuste pour empêcher une cambrure trop prononcée ce qui causerait les broches de levage ou les chaînes d'entrer en contact avec les coins supérieurs du conteneur.

Figure 2 Grue avec hauteur maximale au-dessus du plateau

Figure 3 Grue à sa capacité maximale de déploiement
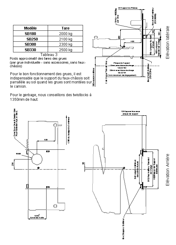
Model |
SB180 |
SB250 |
SB300 |
SB330 |
|||||||||||||||
|
Condition |
1 |
2 |
1 |
2 |
1 |
2 |
1 |
2 |
||||||||||
Force |
F1 |
65 kN |
172 kN |
91 kN |
239 kN |
109 kN |
287 kN |
120 kN |
316 kN |
||||||||||
F2 |
115 kN |
106 kN |
159 kN |
148 kN |
191 kN |
177 kN |
210 kN |
195 kN |
|||||||||||
F3 |
16 kN |
27 kN |
23 kN |
38 kN |
27 kN |
45 kN |
30 kN |
50 kN |
|||||||||||
F4 |
16 kN |
27 kN |
23 kN |
38 kN |
27 kN |
45 kN |
30 kN |
50 kN |
|||||||||||
Tableau 1 : Schéma des charges de support

T
Fig. 5: Déflections maximum permissibles avec charges
La structure du faux-châssis ou du châssis porteur doit être très rigide afin d'éviter une déflection excessive au niveau de l'axe de levage qui se trouve sur la grue. Le travail des grues se fera en toute sécurité, à partir du moment où la déflection de chaque grue sous le poids des charges specifiées ci-dessous ne depasse pas 25mm à une hauteur de 4180 au-dessus de la broche de support, alors l'opération correcte de ces machines sera assurée.
Ci-dessous, distribution des charges avec un camion traditionnel :

Figure 6 Châssis d'un camion classique vide
La majorié des fabricants de camions conseillent d'atteler le faux-châssis au châssis du
camion de telle sorte que les cambrures et les torsions du camion ne soient pas affectées. Cependant, ces conseils ne sont pas très compatibles quand il s'agit de maintenir l'alignement des deux grues et de réduire au minimum leurs movements d'oscillation pendant le levage.
Etant donné que la configuration exacte des supports varie d'une installation à l'autre, nous donnons ci-dessous les calculs que nous avons faits en assumant que les poids sont supportés par une seule poutre.
Le point le plus crucial pour que la grue performe d'une façon idéale est de savoir quelle déflection le faux-châssis ou le châssis peut supporter. Le diagramme ci-dessous ne prend en compte que les moments des couples opposés causés par les déports des grues. Les chiffres obtenus permettent de déterminer le minimum de la force du châssis pour résister afin qu'il ne subisse aucune déflection dans le cas où le camion ne soit pas equipé d'un faux chassis.

Fig 7 Diagramme simplifié d'un châssis
Considering only one beam on the lift side of the truck to be resisting the moment couple, this will give a conservative stiffness requirement.

Fig.8: Détails d'assemblage de Grue sur Camion

Modèle |
SB180 |
SB250 |
SB300 |
SB330 |
I (m4) |
44.3 x 10 - 6 |
61.9 x 10 - 6 |
74.0 x 10 - 6 |
81.5 x 10 - 6 |
Tableau 2 - Zone minimale conseillée - Valeurs de Moment d'Inertie pour support de châssis de 20 pieds
