
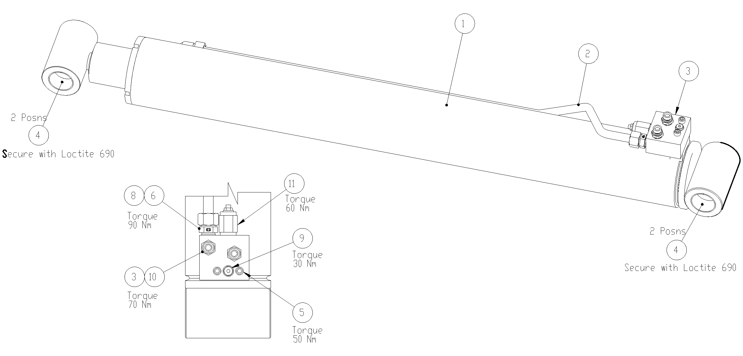
Note: Please provide the Serial Number of the sidelifter with all spare parts orders.
Item |
Part Number |
Description (SB362) |
Qty |
Notes |
|---|---|---|---|---|
|
HC-41424 |
Assembly Hyd Bottom Lift Cylinder |
|
|
1 |
HC-37529 |
Cylinder Hyd Bottom Lift |
1 |
1 |
2 |
HC-37802 |
Tube Feed Bottom Lift Cylinder |
1 |
|
3 |
BE-29011 |
Bearing Glacier 60 ID x 40 long |
4 |
|
4 |
FA-28719 |
Screw Socket Cap Br 12.9 M10x60 Blk |
2 |
|
5 |
HF-41251 |
Adaptor 1/2BSPP/M-20mm Tube |
1 |
|
6 |
HF-40449 |
Washer Dowty Seal 3/8 |
2 |
|
7 |
HF-40450 |
Washer Dowty Seal 1/2 |
1 |
|
8 |
HF-40479 |
Plug 1/4BSPP |
2 |
|
9 |
HF-40456 |
Adaptor 1/2BSPP/M-3/8BSPP/M |
2 |
|
10 |
HC-25754 |
Cartridge Overcentre Non Vent 200-30 |
2 |
|
11 |
HC-41400 |
Block Cartridge Double Port |
1 |
|
12 |
HC-41458 |
Cartridge Check Non Pilot |
1 |
|
13 |
HC-41457 |
Cartridge Logic - Vented Spool |
1 |
|
14 |
HC-41459 |
Cartridge Sequence Valve Pilot Operated |
1 |
|
|
HC-37821 |
Seal Kit Bottom Lift Cylinder |
1 |
|

Note: Please provide the Serial Number of the sidelifter with all spare parts orders.
Item |
Part Number |
Description (SB362) |
Qty |
Notes |
|---|---|---|---|---|
|
HC-26058 (HC-26059) |
Assembly Cylinder Hyd Top Lift SB362 RH (Shown) (Assembly Cylinder Hyd Top Lift SB362 LH) |
|
|
1 |
HC-37544 (HC-37545) |
Cylinder Hyd Top Lift RH (Cylinder Hyd Top Lift LH) |
1 |
1 |
2 |
HC-37801 |
Feed Tube Top Lift Cylinder SB361 |
1 |
|
3 |
HC-25753 |
Block Cartridge Single Port |
1 |
|
4 |
BE-29011 |
Bearing Glacier 60 ID x 40 long |
4 |
|
5 |
FA-28719 |
Screw Socket Cap Gr 12.9 M10X60 Blk |
2 |
|
6 |
HF-41251 |
Adaptor 1/2BSPP/M-20mm Tube |
1 |
|
7 |
HF-40449 |
Washer Dowty Seal 3/8 |
2 |
|
8 |
HF-40450 |
Washer Dowty Seal 1/2 |
1 |
|
9 |
HF-40479 |
Plug 1/4BSPP |
1 |
|
10 |
HF-40456 |
Adaptor 1/2BSPP/M-3/8BSPP/M |
2 |
|
11 |
HC-25754 |
Cartridge Overcentre Non Vent 200-30 |
1 |
|
|
HC-37822 |
Seal Kit Top Lift Cylinder |
1 |
|

Note: Please provide the Serial Number of the sidelifter with all spare parts orders.
Item |
Part Number |
Description (SB362) |
Qty |
Notes |
|---|---|---|---|---|
|
HC-26057 |
Assembly Cylinder Hyd Stab Tilt |
|
|
1 |
HC-37561 |
Cylinder Hyd Stabiliser Tilt |
1 |
1 |
2 |
HC-23366 |
Block Cartridge Double Port |
1 |
|
3 |
HC-25143 |
Cartridge Pilot Check |
2 |
|
4 |
BE-29011 |
Bearing Glacier 60 ID x 40 long |
4 |
|
5 |
HC-37804 |
Feed Tube Stab Tilt Cylinder |
1 |
|
6 |
FA-28719 |
Screw Socket Cap Gr 12.9 M10X60 Blk |
2 |
|
7 |
HF-41251 |
Adaptor 1/2BSPP/M-20mm Tube |
1 |
|
8 |
HF-40449 |
Washer Dowty Seal 3/8 |
2 |
|
9 |
HF-40450 |
Washer Dowty Seal 1/2 |
1 |
|
10 |
HF-40479 |
Plug 1/4BSPP |
2 |
|
11 |
HF-40456 |
Adaptor 1/2BSPP/M-3/8BSPP/M |
2 |
|
|
HC-37824 |
Seal Kit Stabiliser Tilt Cylinder |
1 |
|

Note: Please provide the Serial Number of the sidelifter with all spare parts orders.
Item |
Part Number |
Description (SB362) |
Qty |
Notes |
|---|---|---|---|---|
|
HC-26056 |
Assembly Cylinder Hyd Stabiliser Extend |
|
|
1 |
HC-37631 |
Cylinder Hyd Stab Extn |
1 |
|
2 |
HC-23366 |
Block Cartridge Double Port |
1 |
|
3 |
HC-25143 |
Cartridge Pilot Check |
2 |
|
4 |
HC-37803 |
Tube Feed Stab Ext Cylinder |
1 |
|
5 |
FA-28719 |
Screw Socket Cap Gr 12.9 M10X60 Blk |
2 |
|
6 |
HF-41251 |
Adaptor 1/2BSPP/M-20mm Tube |
1 |
|
7 |
HF-40450 |
Washer Dowty Seal 1/2 |
1 |
|
8 |
HF-40479 |
Plug 1/4BSPP |
2 |
|
9 |
HF-40501 |
Adaptor 3/8BSPP/M-16mm Tube |
2 |
|
10 |
HF-40449 |
Washer Dowty Seal 3/8 |
2 |
|
|
HC-37823 |
Seal Kit Stabiliser Extension Cylinder |
1 |
|
Notes: