Previous Topic

Next Topic

Book Contents

Book Index

Send Feedback

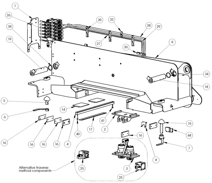
Crane Assembly SB361/401

361_401 arms1.jpg

361_401 arms2.jpg

Note: Please provide the Serial Number of the Sidelifter with all spare parts orders.

Item

Part Number

Description

Qty

1

S8-33620

Plate Mounting RH Danfoss Bank SB361/401

1

2

S8-33316

Assy Cylinder Traverse SB361/401

1

3

S8-33311

Assy Centre Drive Traverse SB361/401

1

4

S8-33306

Block Load Transfer 32mm SB361/401

2

5

S8-33070

Bolt Anvil Machined TL Offside SB361/401

1

6

S8-33069

S8-33290

Handle Twistlock Offside RH SB361/401

Handle Twistlock Offside LH SB361/401

1

7

S8-33028

S8-33288

Handle Twistlock Liftside RH SB361/401

Handle Twistlock Liftside LH SB361/401

1

8

S8-33022

Plate Mount Plug Base SB361/401

1

9

S8-33011

Crane Base RH SB361/401

1

10

S8-32258

Bash Cover R/H Bottom Arm SB361/401

1

11

S8-32257

Bash Plate R/H Bottom Arm SB361/401

1

12

S8-32240

Arm Bottom SB361/401

1

13

S8-32300

S8-32211

Arm Top SB361

Arm Top SB401

1

14

S3-31068

Wear Pad Crane Base 10mm SB330

4

15

S3-26034

Centre Twistlock Crane Base SB330

1

16

S1-33275

Assy Wear Pad Side SB361/401

4

17

S1-31484

Retainer Long Wear Pad Crane Base Bolted

2

18

PN-34235

Pin A SB401/SB361

1

19

PN-33248

Pin B SB401/SB361

1

20

PN-33252

Pin C SB401/SB361

1

21

PN-33254

Pin D SB401/SB361

1

22

PN-33256

Pin E SB401/SB361

1

23

PN-33258

Pin F SB401/SB361

1

24

PN-33260

Pin G SB401/SB361

1

25

PM-33302

Assy Lock Crane Base SB401/SB361

2

26

HC-33658

Valve Danfoss 4 Slice

1

27

HC-33643

Tube 10mm LS RH Crane Base SB401/SB361

1

28

HC-33642

Tube 20mm Tank RH Crane Base SB401/SB361

1

29

HC-33641

Tube 16mm Pressure RH Crane Base SB401/SB361

1

30

HC-33614

Clamp Hyd Tube SB401 Crane Base

4

31

HC-32284

Assy Cylinder Hyd Bottom Lift SB361/SB401 RH

1

HC-33800

Assy Cylinder Hyd Bottom Lift SB361/SB401 LH

 

32

HC-32280

Assy Cylinder Hyd Top Lift SB361

1

HC-32282

Assy Cylinder Hyd Top Lift SB401

1

33

HC-25811

Clamp Double 1/2 Hose Plastic Dipped

1

34

FA-31071

Circlip External M70

4

35

FA-28935

Circlip External M60 ZP

2

36

FA-28827

Washer Flat M8X19 ZP

18

37

FA-28770

Nut Nyloc M8 ZP

4

38

FA-28755

Screw Socket Grub M16X16 ZP

4

39

FA-28733

Screw Socket Flat Head Gr 12.9 M8X25 Blk

4

40

FA-35375

Screw Socket Cap Gr 12.9 M8X90 Blk

4

41

FA-28710

Screw Socket Cap Gr 12.9 M8X70 Blk

2

42

FA-28605

Screw Set Hex Class 8.8 M8X25 ZP

8

43

EL-34171

Sensor Inclinometer VTI 2-Axis M12 Plug

2

44

EL-22723

Switch Photo Sensor Sick WT260S280

1

45

BE-29013

Bearing Glacier 70 ID x 60 long

6

361_401 legs2.jpg

Note: Please provide the Serial Number of the Sidelifter with all spare parts orders.

Item

Part Number

Description

Qty

1

 

 

 

2

S8-36978

Foot Stabilizer (07)

1

3

S8-36980

Stabilizer Extension (07)

1

4

S8-37059

Stabilizer Housing (07)

1

5

S8-33011

S8-33013

Crane Base RH SB401/SB361

Crane Base LH SB401/SB361

1

6

S1-33842

Bracket Module Pressure Gauge Low Height

1

7

S1-34174

Packer Spirit Level Module Mounted

1

8

S1-18365

Support Lower Stabilizer Leg Cyl SB360

3

9

PN-33250

Pin H & I SB401/SB361

2

10

PN-37120

Pin J (07)

1

11

PN-21817

Pin K SB330 SB401 Ø45

1

12

PN-35349

Pin L SB401

1

13

HC-40243

Assy Cyl Hyd Stabilizer Ext (07)

1

14

HC-38167

HC-38168

Assy Cyl Hyd Stab Tilt R/H (07)

Assy Cyl Hyd Stab Tilt L/H (07)

1

15

HC-25811

Clamp Double 1/2 Hose Plastic Dipped

1

16

FA-34402

Screw Socket Head Shouldered Retainer

3

17

FA-28923

Circlip External M45

2

18

FA-28755

Screw Socket Grub M16X16 ZP

2

19

EL-34171

Sensor Inclinometer VTI 2-Axis M12 Plug

1

20

EL-33346

Strobe Beacon no Conduit SB401/SB361

1

21

EL-37327

Mag Strip Stab Ext SB401/SB361

1

22

 

 

 

23

 

Assy Mount Sensor Magnetic SB401/SB361 (EL-33269)

2

24

EL-32921

Magnet Reset Stabilizer

3

25

EL-32863

Enclosure

1

26

BE-29011

Bearing Glacier 60 ID x 40 long

2

27

HC-37156

Pipe 16mm Stab Extn (07) Cyl

2

See Also

Crane Parts by Model

Mk4 Spare Parts

MK5 Spare Parts

Crane Assembly SB040

Crane Assembly SB121 Low Crane

Crane Assembly SB121/SB122 High Crane

Chain Sling and Lugs - SB121

Chain Sling and Lugs - SB122

Crane Assembly SB180

Crane Assembly SB250

Crane Assembly SB300

Crane Assembly SB330

Crane Assembly SB360

Wear Pad Assy 361/401

Offside Bash Plate - SB361, SB401

Crane Assembly SB362

Crane Assembly SE400

Crane Assembly SB401

Offside Bash Plate - SB361, SB401

Crane Assembly SB401 Quattro

Hydraulic Cylinders SB401 Quattro

Crane Assembly SE402

Crane Assembly SB450

SB450 Trombone Crane Centre Traverse Details